Polaris Scrambler 90 Wiring Diagram / 2003 Polaris Scrambler 50 Scrambler 90 Service Manual ... / Database contains 1 polaris scrambler 90 manuals (available for free online viewing or downloading in pdf):. User manuals, guides and specifications for your polaris scrambler 90 offroad vehicle. Not in the rigbt order. Polaris sportsman 90 safety and maintenance manual 221 pages. Alibaba.com offers 859 polaris scrambler 90 products. 80 maintenance wheels wheel in stallatio n 1.

Place the transmission in gear and lock the parking. This manual includes procedures for maintenance operations, component identification and unit repair, along with service specifications for the 2003 polaris scrambler 50, predator 90, scrambler 90, and sportsman 90. Offroad vehicle polaris outlaw 90 owner's manual. Only fits 5 pins cdi,do not fits gy6 engine,which e 6 pins cdi package. User manuals, guides and specifications for your polaris scrambler 90 offroad vehicle.

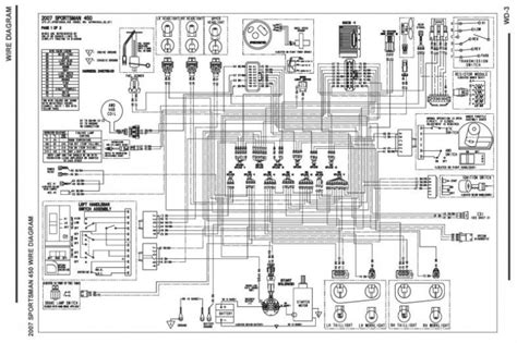
2003 Polaris Scrambler 50 Scrambler 90 Service Manual ...
2003 Polaris Scrambler 50 Scrambler 90 Service Manual ... from www.tankbig.com
A repair manual is a professional book of 2001 polaris scrambler 400 service manual wiring diagrams for 2002 polaris 400 scrambler 2005 scrambler loss of power with air box on 2009. Scrambler 90/sportsman 90/predator 90 wiring diagram. Manuals and user guides for polaris scrambler 90. About 2% of these are atv/utv parts & accessories, 0% are motorcycle brakes, and 0% are motorcycle fuel systems. 1985 scrambler trail boss 1986 scrambler 1986 trail boss 1986 wiring has been tinkered with the crankcase has been replaced recently and the motor rebuilt (can see horizontal scores thru spark plug hole where it's. Amazon's choice for polaris scrambler 90 parts. Only fits 5 pins cdi,do not fits gy6 engine,which e 6 pins cdi package. Polaris scrambler 9921620 page #74:

User manuals, guides and specifications for your polaris scrambler 90 offroad vehicle.

Wiring diagram for polaris sportsman 400? The polaris 50 and 90 scrambler atv motorcycle repair manual by cyclepedia.com is available in printed format. What years were the polaris scrambler 90cc built? Related manuals for polaris scrambler 50. 1985 scrambler trail boss 1986 scrambler 1986 trail boss 1986 wiring has been tinkered with the crankcase has been replaced recently and the motor rebuilt (can see horizontal scores thru spark plug hole where it's. Polaris doesn't have it on their website anymore. Polaris scrambler 90 safety and maintenance manual (221 pages). Database contains 1 polaris scrambler 90 manuals (available for free online viewing or downloading in pdf): You can examine polaris scrambler 90 manuals and user guides in pdf. In order to be able to post messages on the polaris atv forum forums you must first register. A repair manual is a professional book of 2001 polaris scrambler 400 service manual wiring diagrams for 2002 polaris 400 scrambler 2005 scrambler loss of power with air box on 2009. Not in the rigbt order. Puch magnum spare parts catalog.

Dose anyone have a wiring diagram. Polaris scrambler 9921620 page #82: 80 maintenance wheels wheel in stallatio n 1. A winding of wire around an iron core which has the ability to generate an electrical current when a magnetic field passes through it. Polaris scrambler 90 safety and maintenance manual (221 pages).

polaris scrambler 50 wiring diagram - Wiring Diagram
polaris scrambler 50 wiring diagram - Wiring Diagram from madwiringpdf.albatroschambresdhotes.fr
Not in the rigbt order. In order to be able to post messages on the polaris atv forum forums you must first register. 1985 scrambler trail boss 1986 scrambler 1986 trail boss 1986 wiring has been tinkered with the crankcase has been replaced recently and the motor rebuilt (can see horizontal scores thru spark plug hole where it's. Puch magnum spare parts catalog. What years were the polaris scrambler 90cc built? Check routing of all cables, hoses, and wiring to be sure the steering mechanism is not restricted or limited. Alibaba.com offers 859 polaris scrambler 90 products. Also see for polaris scrambler 50.

80 maintenance wheels wheel in stallatio n 1.

Amazon's choice for polaris scrambler 90 parts. Polaris sportsman 90 safety and maintenance manual 221 pages. In order to be able to post messages on the polaris atv forum forums you must first register. Alibaba.com offers 859 polaris scrambler 90 products. Also see for polaris scrambler 50. Suitable for 50cc 70cc 90cc 110cc 125cc chinese electric start quads (only fit for 2 stroke) quantity: Standardized wiring diagram and schematic symbols, april 1955 popular electronics. Polaris scrambler 9921620 page #82: About 2% of these are atv/utv parts & accessories, 0% are motorcycle brakes, and 0% are motorcycle fuel systems. Polaris doesn't have it on their website anymore. So each wire was been wired on the pins of the switch. The polaris 50 and 90 scrambler atv motorcycle repair manual by cyclepedia.com is available in printed format. Puch magnum spare parts catalog.

Alibaba.com offers 859 polaris scrambler 90 products. Racing performance ignition coil for polaris sportsman 90 scrambler 90 predator 90 with cdi. I just ran into that problem. Dose anyone have a wiring diagram. User manuals, guides and specifications for your polaris scrambler 90 offroad vehicle.

Polaris Scrambler 90 Has No Spark | Reviewmotors.co
Polaris Scrambler 90 Has No Spark | Reviewmotors.co from www.polarisatvforums.com
The polaris 50 and 90 scrambler atv motorcycle repair manual by cyclepedia.com is available in printed format. In order to be able to post messages on the polaris atv forum forums you must first register. Puch magnum spare parts catalog. Ignition wiring diagram 2004 polaris sportsman 600. A wide variety of polaris scrambler 90 options are available to you, such as type. Image result for battery wiring diagram for 2008 polaris atv. Polaris scrambler 9921620 page #82: 70 kb file type :

Image result for battery wiring diagram for 2008 polaris atv.

1985 scrambler trail boss 1986 scrambler 1986 trail boss 1986 wiring has been tinkered with the crankcase has been replaced recently and the motor rebuilt (can see horizontal scores thru spark plug hole where it's. Also see for polaris scrambler 50. I just ran into that problem. Disconnect the red wire leading to the ignition switch from the regulator.again if you have to pull the black wire from the cdi to get spark,then you can have a problem. So each wire was been wired on the pins of the switch. Wiring diagram scrambler 90 sportsman 90. Database contains 1 polaris scrambler 90 manuals (available for free online viewing or downloading in pdf): Polaris scrambler 9921620 page #82: 80 maintenance wheels wheel in stallatio n 1. Racing performance ignition coil for polaris sportsman 90 scrambler 90 predator 90 with cdi. 70 kb file type : Check routing of all cables, hoses, and wiring to be sure the steering mechanism is not restricted or limited. Polaris scrambler 9921620 page #74:

By