2003 Mitsubishi Galant Engine Diagram - 2003 Mitsubishi Engine Diagram Wiring Diagram Stare Setup Stare Setup Cinemamanzonicasarano It - Mitsubishi car manuals pdf wiring diagrams above the page.. Mohamed on citroen pdf workshop and repair manuals: Our inventory holds 207 aftermarket and oem tools, fluids & garage products for your mitsubishi galant, ranging from $0.79 to $414.83. The name galant comes from the french word for chivalrous. Hayden automotive offers a full line of engine and transmission cooling products that meet or exceed the original equipment. Lots of people searching for info about 2003 mitsubishi eclipse engine diagram and

Lots of people searching for info about 2003 mitsubishi eclipse engine diagram and 2003 mitsubishi galant 3.0 engine motor assembly 182,832 miles no core charge (fits: At this time we are delighted to announce that we have found a very interesting content to be reviewed, namely 2001 mitsubishi galant engine diagram. 2003 mitsubishi galant suspension, steering, tire and wheel. 1999 mitsubishi galant electrical wiring diagram download;

1992 Mitsubishi Galant Fuse Diagram Wiring Diagram Thick Usage B Thick Usage B Agriturismoduemadonne It
1992 Mitsubishi Galant Fuse Diagram Wiring Diagram Thick Usage B Thick Usage B Agriturismoduemadonne It from www.2carpros.com
The video above shows how to check for blown fuses in the engine bay of your 2002 mitsubishi galant and where the fuse box diagram is located. At this time we are delighted to announce that we have found a very interesting content to be reviewed, namely 2001 mitsubishi galant engine diagram. For the mitsubishi galant (ea) 1997, 1998, 1999, 2000, 2001, 2002, 2003, 2004 model year. I need to find a timing belt diagram for a 1994 mitsubishi galant your car will have the 2.4l sohc engine in it (aka 4g64). Mitsubishi montero 2003 circuit diagrams 3. I apologize for portrait video instead of landscape.my 2003 mitsubishi galant has been having idle issues for a while now and i finally tried to catch one of. When you are in need of a reliable replacement part for your 2003 mitsubishi galant to restore it to 'factory like' performance, turn to carid's vast selection of premium quality products that includes everything you may need for routine maintenance and major repairs. Mitsubishi galant, laser, eclipse, talon.

To make sure your vehicle stays in top shape, check its parts for wear and damage at regular intervals and replace them in time.

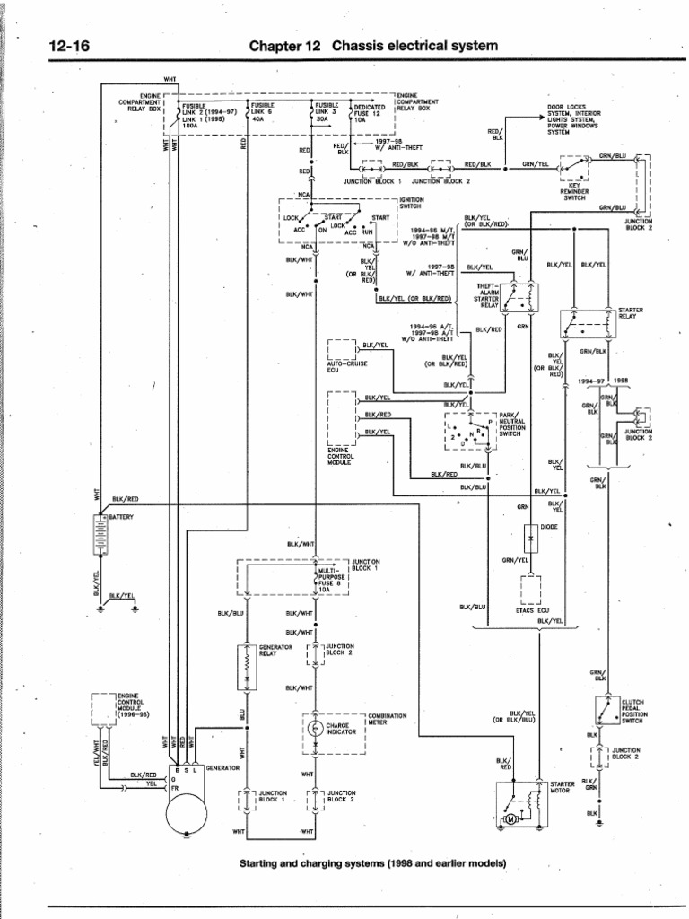
K j s e p o n v s b o g r e d 2 r 3 t f. Would you like to sell products for this vehicle on amazon.com? 16,032 results for 2003 mitsubishi galant engine. I need to find a timing belt diagram for a 1994 mitsubishi galant your car will have the 2.4l sohc engine in it (aka 4g64). For the mitsubishi galant (ea) 1997, 1998, 1999, 2000, 2001, 2002, 2003, 2004 model year. Lots of people searching for info about 2003 mitsubishi eclipse engine diagram and From the timing belt to the transmission the fireing orders are 1234 one and three fired the same time 2 and 4 fire the same time. Mitsubishi galant, laser, eclipse, talon. Hayden automotive offers a full line of engine and transmission cooling products that meet or exceed the original equipment. Mitsubishi montero 2003 circuit diagrams 3. Mohamed on citroen pdf workshop and repair manuals: At this time we are delighted to announce that we have found a very interesting content to be reviewed, namely 2001 mitsubishi galant engine diagram. 2003 mitsubishi galant internal engine.

Mitsubishi montero 2003 circuit diagrams 2. Drive belt diagram for a 2002 mitsubishi galant 2.4 / 4cl with ac regarding 2002 mitsubishi galant engine diagram, image size 416 x 631 px, and to view image details please click the image. Drive belt diagram for a 2002 mitsubishi galant 24 4cl with ac regarding 2002 mitsubishi galant engine diagram image size 416 x 631 px and to view image details please click the image. Mitsubishi montero 2003 circuit diagrams 4 16,032 results for 2003 mitsubishi galant engine.

2004 Mitsubishi Lancer Engine Diagram Information Of Wiring Diagram
2004 Mitsubishi Lancer Engine Diagram Information Of Wiring Diagram from repairguide.autozone.com
When you purchase mitsubishi galant auto parts from our dealership, you can rest assured that you are getting the highest quality parts from experts that know your vehicle. Drive belt diagram for a 2002 mitsubishi galant 24 4cl with ac regarding 2002 mitsubishi galant engine diagram image size 416 x 631 px and to view image details please click the image. 2003 mitsubishi galant 3.0 engine motor assembly 182,832 miles no core charge (fits: Mitsubishi galant, laser, eclipse, talon. Drive belt diagram for a 2002 mitsubishi galant 2.4 / 4cl with ac regarding 2002 mitsubishi galant engine diagram, image size 416 x 631 px, and to view image details please click the image. Car complaints, car problems and defect information latest news Autozone locations vehicle make vehicle model vehicle vin lookup gift cards discounts & coupons local store ad. Before you buy, take some time to read through customer reviews.

16,032 results for 2003 mitsubishi galant engine.

Drive belt diagram for a 2002 mitsubishi galant 24 4cl with ac regarding 2002 mitsubishi galant engine diagram image size 416 x 631 px and to view image details please click the image. , december 01, 2003 summary: Mark and routing guides for car engines which help facilitate a repair which otherwise would be difficult. Most people attempting to find details about 2001 mitsubishi galant engine diagram and of course At this time we are delighted to announce that we have found a very interesting content to be reviewed, namely 2001 mitsubishi galant engine diagram. Mitsubishi galant, laser, eclipse, talon. The 2003 mitsubishi galant has 9 nhtsa complaints for the electrical system at 41,236 miles average. The first generation of the car, initially known as the colt galant, was released in december 1969 at a new mitsubishi japanese dealership called galant shop.the design was dubbed dynawedge by mitsubishi, referring to the influence of aerodynamics on the silhouette. If your map light, stereo, turn signals, heated seats, headlights or other electronic components suddenly stop working, chances are you have a fuse that has blown out. For the mitsubishi galant (ea) 1997, 1998, 1999, 2000, 2001, 2002, 2003, 2004 model year. This manual will show you how to replace the timing belt (and more). Nowadays we are excited to announce we have discovered a very interesting content to be discussed, namely 2003 mitsubishi eclipse engine diagram. 415x 18 type trim panel retainer clips assortment + 5 fastener remover for car (fits:

Timing belt procedures start on page 33. 1999 mitsubishi galant electrical wiring diagram download; When you purchase mitsubishi galant auto parts from our dealership, you can rest assured that you are getting the highest quality parts from experts that know your vehicle. 415x 18 type trim panel retainer clips assortment + 5 fastener remover for car (fits: Fuse box in passenger compartment.

2010 Galant Fuse Box Wiring Diagram And Tell Nest A Tell Nest A Rennella It
2010 Galant Fuse Box Wiring Diagram And Tell Nest A Tell Nest A Rennella It from fuse-box.info
If your map light, stereo, turn signals, heated seats, headlights or other electronic components suddenly stop working, chances are you have a fuse that has blown out. Mitsubishi montero 2003 circuit diagrams 3. 1999 mitsubishi galant electrical wiring diagram download download now; Rockauto ships auto parts and body parts from over 300 manufacturers to customers' doors worldwide, all at warehouse prices. Mitsubishi galant 2.4l / 3.0l 2003, super duty pusher electric fan by hayden®. We offer parts from 40 brands trusted to make quality tools, fluids & garage products for your mitsubishi galant. For the mitsubishi galant (ea) 1997, 1998, 1999, 2000, 2001, 2002, 2003, 2004 model year. Here is a picture gallery about 2002 mitsubishi galant engine diagram complete with the description of the image, please find the image you need.

Autozone locations vehicle make vehicle model vehicle vin lookup gift cards discounts & coupons local store ad.

Mitsubishi car manuals pdf wiring diagrams above the page. Autozone locations vehicle make vehicle model vehicle vin lookup gift cards discounts & coupons local store ad. 1999 mitsubishi galant electrical wiring diagram download; During this long run, it ended up with over 5 million sold units. Fuse box in passenger compartment. I need to find a timing belt diagram for a 1994 mitsubishi galant your car will have the 2.4l sohc engine in it (aka 4g64). Before you buy, take some time to read through customer reviews. 2003 mitsubishi galant 3.0 engine motor assembly 182,832 miles no core charge (fits: 2003 mitsubishi galant parts and accessories explore vehicles › mitsubishi › galant. For the mitsubishi galant (ea) 1997, 1998, 1999, 2000, 2001, 2002, 2003, 2004 model year. At this time we are delighted to announce that we have found a very interesting content to be reviewed, namely 2001 mitsubishi galant engine diagram. Mitsubishi 4g9 engine 4g92 4g93 4g94 lancer carisma pajero galant space star space runner either with mivec gdi sohc dohc. 1999 mitsubishi galant electrical wiring diagram download;

By